金百博·[中国]集团

全国服务热线18012399129

金百博·[中国]集团

金百博·[中国]集团 ISO9001质量体系保证,高于国标标准生产

金百博专业研发生产压力表全系列100多款产品
» » »

耐震压力表

产品分类: 耐震压力表
    订购热线:0510-85182228

         耐震压力表.jpg 

          

      微信图片_20250901102756_3_48.png

      微信图片_20250901102802_4_48.jpg




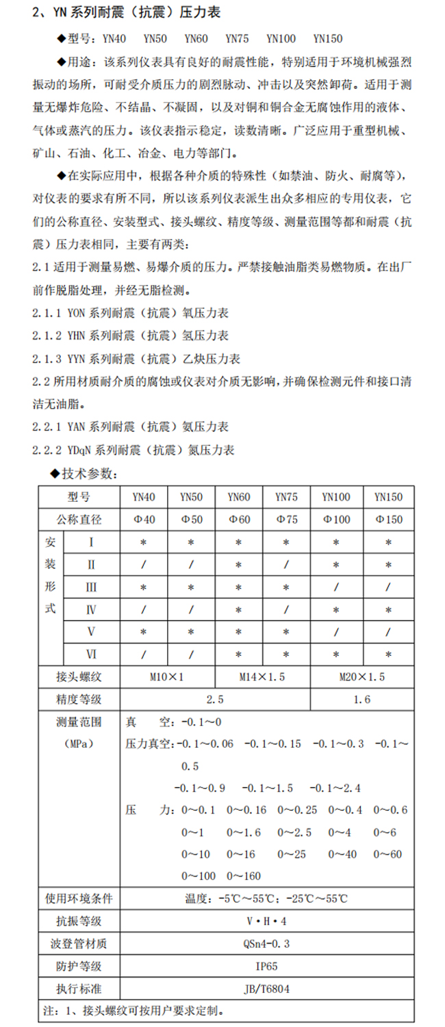
          YN系列耐震

          使用与订货须知:

          使用中因环境温度过高,仪表指示值不回零位,可用细针在仪表橡皮塞上通一小孔,使仪表内腔与大气相通即可。工作环境应无腐蚀性气体。

          订货请说明名称、型号及测量范围。





       


      订货电话:0510-85182228      

      公司传真:0510-88152298


      地址:江苏省无锡市滨湖区金百博街道南湖中路28-50号(生产基地)

                 江苏省无锡市滨湖区蠡湖商务园23号(研发中心)


      * 表示必填采购:耐震压力表
      * 联系人: 请填写您的真实姓名
      公司名称: 请填写您的公司名称
      联系电话:
      * 手机号码: 请填写您的联系电话
      电子邮件:
      联系地址:
      * 采购意向描述:
      请填写采购的产品数量和产品描述,方便金百博·[中国]集团进行统一备货。
      验证码: 验证码

      相关资讯

      共有-条评论【我要评论】

      正在加载...
      我要评论:  
      内 容:
      (内容最多500个汉字,1000个字符)
      验证码: 看不清?!
       

      金百博产品中心Product center

      联系金百博

      联系金百博

      金百博·[中国]集团

      订货电话:0510-85182228

      公司电话:0510-85182228

      公司电话:0510-85182228

      公司传真: 0510-88152298

      公司地址:无锡市滨湖区蠡湖商务园23号