» » »
不锈钢压力表
产品分类: 不锈钢压力表
YE-100轴向带边膜盒压力表又称微压表。适用于测量无爆炸危险、不结晶、不凝固,以及对铜和铜合金无腐蚀作用的液体、气体或蒸汽的低微压力。
订购热线:0510-85182228

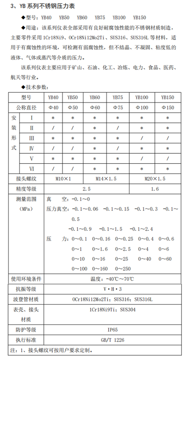
该系列仪表全部采用有良好耐腐蚀性能的不锈钢材质制造, 主要零件采用 1Cr18Ni9、OCr18Ni12Mo2Ti、SUS316、SUS316L 等材料,适 用于有腐蚀性的环境,可检测有弱腐蚀性,但不结晶、不凝固、粘度低的 液体、气体或蒸汽等介质的压力。 该系列仪表主要应用于矿山、石油、化工、冶炼、电力、食品、医药、 航天等行业。


使用与订货须知:
其使用条件同原选用。调定指针时请轻缓转动设定旋钮。订货时请说明选用的压力表型号范围、精确度等级及定位代号-D。


订货电话:0510-85182228
公司传真:0510-88152298
地址:江苏省无锡市滨湖区金百博街道南湖中路28-50号(生产基地)
江苏省无锡市滨湖区蠡湖商务园23号(研发中心)
* 表示必填采购:不锈钢压力表
| * 联系人: | 请填写您的真实姓名 |
| * 手机号码: | 请填写您的联系电话 |
| 电子邮件: | |
| * 采购意向描述: | |
| 请填写采购的产品数量和产品描述,方便金百博·[中国]集团进行统一备货。 | |
| 验证码: |
|
相关资讯
| 我要评论: | |
| 内 容: |
(内容最多500个汉字,1000个字符) |
| 验证码: | 看不清?! |
金百博产品中心Product center
联系金百博
金百博·[中国]集团
订货电话:0510-85182228
公司电话:0510-85182228
公司电话:0510-85182228
公司传真: 0510-88152298
公司地址:无锡市滨湖区蠡湖商务园23号
![金百博·[中国]集团
金百博·[中国]集团](http://cclyhb.com/UploadFiles/Others/20140721181930_20395.gif)






![金百博·[中国]集团
金百博·[中国]集团](/Skins/Default/Img/Common/f_logo.gif)
手机扫描二维码
共有-条评论【我要评论】